Sunday, November 26, 2023

Unlocking Sonic Mastery: 5 Key Insights into Peavey JSX Schematic Wiring

Explore the intricacies of Peavey JSX schematic wiring. Uncover 5 crucial insights for sonic mastery. Your go-to guide for amplifier enthusiasts.

In the realm of guitar amplification, the Peavey JSX schematic stands as a testament to precision and tone craftsmanship. As enthusiasts delve into the intricacies of amplifiers, the quest for understanding the inner workings often leads to the exploration of wiring diagrams. This article serves as a comprehensive guide, navigating the labyrinth of Peavey JSX schematics and shedding light on the vital aspects of wiring diagrams. Delving into the heart of these amplifiers, we will dissect the elements that shape their sonic identity, offering enthusiasts a roadmap to comprehend the nuances encoded within the wiring diagram landscape. Join us on this journey as we unravel the technical poetry that underlines the Peavey JSX schematic, deciphering the language of wires that shapes musical expression.

Unlocking Sonic Mastery: 5 Key Insights into Peavey JSX Schematic Wiring

Top 10 Points about Peavey JSX schematic :

  • Decoding Peavey JSX Schematic: An Introduction
  • Understanding the Power Section Wiring
  • Navigating the Preamp Circuitry
  • Examining the Role of Transformers
  • Unveiling the Signal Path: Input to Output
  • Crucial Components: Capacitors and Resistors
  • Mastering the Control Layout
  • Troubleshooting Tips for Wiring Challenges

Several facts about Peavey JSX schematic

The Peavey JSX schematic is a captivating blueprint, intricately weaving the tapestry of an amplifier's sonic identity through its wiring diagram. Let's embark on a journey through the labyrinth of wires that shape the musical landscape.

Unraveling the Peavey JSX Schematic

Unraveling the Peavey JSX Schematic

At the core of understanding any amplifier lies the deciphering of its schematic. The Peavey JSX schematic serves as a roadmap, detailing the connections and components that bring its sonic prowess to life.

Navigating the Power Section Wiring

Navigating the Power Section Wiring

The power section is the heartbeat of any amplifier. Dive into the intricacies of the Peavey JSX power section wiring, exploring how it transforms electrical energy into the audible magic we hear.

Exploring the Preamp Circuitry

Exploring the Preamp Circuitry

Delve into the preamp circuitry of the Peavey JSX, understanding how it shapes the initial stages of your guitar's signal and lays the foundation for the amplifier's sonic character.

The Role of Transformers in Amplification

The Role of Transformers in Amplification

Transformers play a crucial role in amplification. Explore how these components within the Peavey JSX schematic contribute to signal transformation and voltage regulation.

Tracing the Signal Path: Input to Output

Tracing the Signal Path: Input to Output

Follow the signal's journey from input to output, uncovering the sequence of stages within the Peavey JSX schematic that sculpts your guitar's sound.

The Importance of Capacitors and Resistors

The Importance of Capacitors and Resistors

Capacitors and resistors are the unsung heroes of circuitry. Learn how these components in the Peavey JSX schematic contribute to tone shaping and signal flow.

Mastering the Control Layout

Mastering the Control Layout

Demystify the control layout of the Peavey JSX, gaining insights into how each knob and switch influences your ability to sculpt the amplifier's sound according to your preferences.

Troubleshooting Tips for Wiring Challenges

Troubleshooting Tips for Wiring Challenges

Even the most seasoned enthusiasts encounter challenges. Discover practical troubleshooting tips for addressing common wiring issues within the Peavey JSX schematic.

Image sources: Bing Image Search

Peavey JSX schematic in Professional's eye

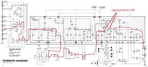
The Peavey JSX schematic serves as a comprehensive blueprint, unraveling the intricate design of this amplifier's wiring. Understanding such diagrams is pivotal for enthusiasts and technicians alike. Let's delve into the various aspects of the wiring diagram, demystifying the pathways that shape the sonic landscape of the Peavey JSX.

Peavey JSX Schematic

Decoding the Schematic: At the heart of any amplifier lies its schematic, a visual representation of the electrical connections within. The Peavey JSX schematic is no exception, providing a roadmap for understanding how components interact.

Decoding the Schematic

Power Section Wonders: The journey begins with the power section, a critical component that converts electrical energy into audible sound. Within the Peavey JSX schematic, the power section dictates the amplifier's ability to deliver volume and dynamic response.

Power Section Wonders

Traversing the Preamp Circuitry: Moving along the signal path, we encounter the preamp circuitry. This section shapes the initial stages of the guitar signal, setting the foundation for the tonal characteristics that define the Peavey JSX.

Traversing the Preamp Circuitry

The Transformers' Tale: Transformers within the Peavey JSX schematic play a crucial role in signal transformation and voltage regulation. These components contribute significantly to the amplifier's overall performance and efficiency.

The Transformers' Tale

Following the Signal Path: The signal path, from input to output, is a critical journey that defines the amplifier's function. The Peavey JSX schematic expertly outlines each stage, providing insight into how the signal evolves and shapes the final tone.

Following the Signal Path

Capacitors and Resistors in Harmony: As we explore the schematic's intricacies, capacitors and resistors emerge as unsung heroes. These components, strategically placed within the Peavey JSX, influence tone shaping and signal flow.

Capacitors and Resistors in Harmony

Mastering the Control Layout: The control layout is a user's interface with the Peavey JSX. Understanding the functionality of each knob and switch empowers the guitarist to mold the amplifier's sound according to their preferences.

Mastering the Control Layout

Troubleshooting Wiring Challenges: Even with meticulous design, wiring challenges may arise. The Peavey JSX schematic equips enthusiasts with insights and tips for troubleshooting common issues, ensuring optimal performance.

Troubleshooting Wiring Challenges

Understanding the intricacies of the Peavey JSX schematic is akin to unlocking the secrets of a musical powerhouse. Each connection, component, and pathway plays a vital role in crafting the amplifier's signature tone. Whether you're an enthusiast, musician, or technician, delving into the wiring diagram provides valuable insights into the inner workings of this iconic amplifier.

Image sources: Bing Image Search

Point of Views : Peavey JSX schematic
  • Understanding the Essence of the Peavey JSX Schematic: In delving into the intricacies of amplifier design, the Peavey JSX schematic stands as a comprehensive guide, revealing the interconnected pathways that bring musical expression to life.
  • Decoding Complexity: The schematic, akin to a musical score, outlines the composition of the amplifier's circuitry. Each line and symbol represents a nuanced instruction, requiring attention to detail to decipher the flow of electrical energy.
  • Power Section as the Pulse: Within the Peavey JSX schematic, the power section emerges as the pulsating heart, converting electrical input into the kinetic energy that propels sound waves. It's a symphony of voltage and current orchestrated for sonic brilliance.
  • Preamp Circuitry's Artistry: The preamp circuitry, depicted with precision in the schematic, serves as the canvas where the initial strokes shape the sonic palette. Understanding this section unveils the artist's intent behind the amplifier's tonal identity.
  • Transformers: Silent Architects: An exploration of the Peavey JSX schematic reveals the silent architects – transformers. These components, strategically positioned, transcend their mechanical form, orchestrating the conversion and modulation of the electrical signal.
  • Tracing the Sonic Odyssey: Following the signal path outlined in the schematic unveils a sonic odyssey. From input to output, the Peavey JSX schematic narrates the journey of the guitar signal, each stage leaving an indelible mark on the final sonic landscape.
  • Capacitors and Resistors: Guardians of Tone: Capacitors and resistors, often overlooked, emerge as the guardians of tone. Their placement and values, etched meticulously in the Peavey JSX schematic, dictate the amplifier's ability to shape and sculpt the audio signal.
  • Control Layout as User Interface: Navigating the control layout, guided by the schematic, empowers users to interact with the Peavey JSX. Each knob and switch becomes a tactile connection, allowing musicians to mold the amplifier's response to their artistic vision.
  • Troubleshooting Insight: Beyond its role as a blueprint, the Peavey JSX schematic offers troubleshooting insights. As challenges arise, the schematic becomes a companion, providing clarity on potential issues and facilitating the restoration of optimal functionality.

Embracing the Peavey JSX schematic is a journey of discovery. It's an acknowledgment of the craftsmanship embedded in each line, symbol, and component – a testament to the collaborative dance between engineering precision and artistic expression.

Conclusion :

As we conclude our exploration of the Peavey JSX schematic, we hope this journey has provided you with valuable insights into the intricate world of amplifier wiring. Navigating the pathways outlined in the schematic is akin to deciphering a musical score, where each symbol and connection plays a crucial role in the creation of sonic artistry. Whether you're an enthusiast seeking a deeper understanding of your amplifier or a technician troubleshooting wiring challenges, the Peavey JSX schematic serves as an invaluable guide, offering a roadmap to comprehend the nuances encoded within its circuitry.

In the realm of amplification, the Peavey JSX schematic stands as a testament to precision and tone craftsmanship. As you continue your exploration of amplifiers and delve into the intricate details of wiring diagrams, may the knowledge gained from our discussion serve as a foundation for your sonic endeavors. The Peavey JSX schematic is more than a technical diagram; it's a gateway to unlocking the secrets behind the amplifier's signature sound. Whether you're an aspiring musician or a seasoned technician, we trust that the understanding gleaned from these articles will enhance your appreciation for the engineering marvel that is the Peavey JSX.

Questions and Answer for Peavey JSX schematic

Curious minds often ask intriguing questions about the Peavey JSX schematic, and we're here to unravel the mysteries surrounding this amplifier's wiring diagram.

  • Q: What makes the Peavey JSX schematic unique?
  • A: The uniqueness lies in its intricate design. The schematic is a visual symphony, detailing the precise connections and components that define the sonic identity of the Peavey JSX.

  • Q: How does the power section impact the amplifier's performance?
  • A: The power section is the beating heart of the amp, converting electrical energy into sound. It dictates volume and dynamic response, crucial factors in shaping the overall performance.

  • Q: What role do transformers play in the Peavey JSX schematic?
  • A: Transformers are silent architects, modulating the electrical signal for optimal performance. Their strategic placement within the schematic is fundamental to the amplifier's efficiency.

  • Q: Can understanding the schematic improve my guitar tone?
  • A: Absolutely. Delving into the schematic allows you to comprehend how components shape the tone. It empowers you to make informed adjustments, enhancing your ability to craft a personalized and refined guitar tone.

These are just a few glimpses into the world of questions surrounding the Peavey JSX schematic. As you embark on your journey of exploration, remember that understanding this wiring diagram is not just a technical pursuit; it's a gateway to unlocking the full potential of your amplifier.

Label :Peavey JSX, Schematic, Wiring Diagram, Amplifier, Circuitry

Keyword : Peavey JSX schematic

No comments:

Post a Comment