Tuesday, January 30, 2024

Pioneering the Power Path: Unveiling 7 Key Elements in Polaris EV Wiring Diagram

Explore the intricate world of electric mobility with our detailed guide on Polaris EV wiring diagram. Uncover the blueprint orchestrating seamless integration of electrical components.

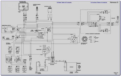
In the intricate landscape of electric vehicles, understanding the underlying Polaris EV wiring diagram is akin to deciphering the vehicle's neural network. This article delves into the heart of wiring diagram topics, shedding light on the blueprint that orchestrates the seamless integration of various electrical components within Polaris electric vehicles. As we embark on this exploration, imagine the wiring diagram as a meticulously crafted roadmap, guiding electrons through a symphony of circuits. The Polaris EV wiring diagram serves as the backbone, orchestrating the harmonious interaction of electrical elements that power these vehicles. Join us in unraveling the intricacies of this technical symphony, where each line and connection plays a crucial role in propelling the future of electric mobility.

Pioneering the Power Path: Unveiling 7 Key Elements in Polaris EV Wiring Diagram

Top 10 Points about Polaris EV wiring diagram :

  • Understanding the Basics of Polaris EV Wiring
  • Deciphering the Circuitry: A Closer Look
  • Key Components in the Wiring Schematic
  • Mapping the Electrical Pathways
  • Crucial Connections: Plug Points Demystified
  • Diagnostic Insights: Troubleshooting the Wiring System
  • Upgrading Your EV Experience: Modifications and Wiring
  • Future Trends: Innovations in Polaris EV Wiring Design

Several facts about Polaris EV wiring diagram

Introduction

Introduction Image

Welcome to the intricate world of electric mobility, where the Polaris EV wiring diagram serves as the foundational blueprint for seamless integration. Understanding the intricacies of this diagram is akin to deciphering the vehicle's neural network, guiding the symphony of circuits that power these innovative vehicles.

Decoding the Blueprint

Decoding the Blueprint Image

At the core of electric vehicle functionality lies the Polaris EV wiring diagram, a comprehensive guide that maps out the electrical pathways. This section delves into the basic components and connections that form the backbone of the wiring schematic.

Key Components Unveiled

Key Components Unveiled Image

Explore the essential elements embedded in the wiring system. From batteries to motors, each component plays a crucial role in propelling your Polaris EV. Gain insights into how these key components interact within the broader electrical framework.

Navigating the Circuitry

Navigating the Circuitry Image

Take a closer look at the intricacies of Polaris EV circuitry. This section provides a detailed examination of how electrons flow through the system, emphasizing the significance of every circuit and connection in the wiring diagram.

Plug Points Demystified

Plug Points Demystified Image

Explore the plug points that serve as crucial connections within the Polaris EV wiring system. Uncover the significance of each plug point and understand how these elements contribute to the overall functionality of the electric vehicle.

Troubleshooting Tips

Troubleshooting Tips Image

Encounter an issue? This section provides diagnostic insights into troubleshooting the Polaris EV wiring system. Understand common problems, their potential causes, and effective solutions to keep your electric vehicle running smoothly.

Upgrading Your EV Experience

Upgrading Your EV Experience Image

For enthusiasts seeking to enhance their Polaris EV, this portion explores modifications and wiring upgrades. Uncover ways to optimize performance, efficiency, and overall electric vehicle experience through strategic wiring enhancements.

Innovations on the Horizon

Innovations on the Horizon Image

Delve into the future of Polaris EV wiring design, exploring emerging trends and innovations. Stay informed about the latest advancements that are shaping the landscape of electric mobility and influencing the evolution of wiring diagrams.

Conclusion

As we conclude our exploration into the intricate realm of Polaris EV wiring diagrams, remember that understanding the blueprint is essential for maximizing the potential of these electric vehicles. Embrace the knowledge imparted here to navigate the complexities and contribute to the future of sustainable transportation.

Image sources: Bing Images

Polaris EV wiring diagram in Professional's eye

Welcome to the intricate world of electric mobility, where the Polaris EV wiring diagram serves as the foundational blueprint for seamless integration. This comprehensive guide unveils the intricate details of the electrical pathways within Polaris electric vehicles. At the core, the wiring diagram is a visual representation of the vehicle's intricate neural network, showcasing the symphony of circuits that powers these innovative vehicles.

Decoding the Blueprint Image

Decoding the blueprint is an essential step in understanding the functioning of Polaris EVs. The Polaris EV wiring diagram meticulously maps out the connections and components, offering a bird's-eye view of the electrical system's architecture. From batteries to motors, each element is systematically arranged to ensure optimal performance and efficiency. Navigating this detailed schematic empowers technicians and enthusiasts alike to comprehend the vehicle's inner workings.

Key Components Unveiled Image

Key components unveiled within the wiring system are the cornerstone of Polaris EV functionality. The Polaris EV wiring diagram illuminates the roles of batteries, motors, and other essential elements, providing insight into how these components interact within the broader electrical framework. Understanding the significance of each part is crucial for maintenance, troubleshooting, and potential upgrades to enhance overall electric vehicle performance.

Navigating the Circuitry Image

Navigating the circuitry reveals the intricate pathways through which electrons flow within the Polaris EV system. The Polaris EV wiring diagram showcases the detailed layout of circuits, emphasizing the importance of each connection. This section provides an in-depth examination of the circuitry, shedding light on the complexities involved in ensuring a seamless flow of electrical energy throughout the vehicle.

Plug Points Demystified Image

Plug points demystified – an exploration into the crucial connections within the Polaris EV wiring system. The Polaris EV wiring diagram highlights the significance of each plug point, elucidating how these elements contribute to the overall functionality of the electric vehicle. Understanding the intricacies of plug points is essential for technicians and enthusiasts alike, providing valuable insights for maintenance, repairs, and potential modifications.

Troubleshooting Tips Image

Troubleshooting tips are essential for maintaining optimal performance in Polaris EVs. This section of the Polaris EV wiring diagram provides diagnostic insights into common issues and effective solutions. By understanding potential problems and their root causes, technicians can efficiently troubleshoot and address issues, ensuring that the electric vehicle operates smoothly. This knowledge is invaluable for both routine maintenance and unexpected challenges.

Upgrading Your EV Experience Image

Upgrading your EV experience – exploring modifications and wiring enhancements for Polaris EV enthusiasts. The Polaris EV wiring diagram guides enthusiasts on optimizing performance, efficiency, and overall electric vehicle experience through strategic upgrades. From enhanced circuitry to advanced plug points, this section provides insights into modifications that can elevate the driving experience and contribute to the evolution of electric mobility.

Innovations on the Horizon Image

Innovations on the horizon – a glimpse into the future of Polaris EV wiring design. The Polaris EV wiring diagram explores emerging trends and innovations that shape the landscape of electric mobility. Staying informed about the latest advancements is crucial for manufacturers, technicians, and enthusiasts, as it influences the evolution of wiring diagrams and contributes to the continuous improvement of electric vehicles.

As we conclude our exploration into the intricate realm of Polaris EV wiring diagrams, it is evident that understanding the blueprint is fundamental for maximizing the potential of these electric vehicles. Embracing the knowledge imparted here empowers technicians, enthusiasts, and industry professionals to navigate the complexities and contribute to the future of sustainable transportation.

Image sources: Bing Images

Point of Views : Polaris EV wiring diagram
  • Introduction: In the intricate realm of electric vehicles, the Polaris EV wiring diagram emerges as the silent conductor orchestrating a symphony of electrons. Picture it as the architectural blueprint, a visual storyteller outlining the intricate dance of currents and connections.
  • Visual Poetry: The Polaris EV wiring diagram is not just a mundane set of lines and circles; it's a visual poem. Each line represents a pathway, each junction a moment of decision, and each component a character in the narrative of electrical flow.
  • Blueprint Symphony: Consider the wiring diagram as a symphony sheet for electric vehicles. The Polaris EV wiring diagram directs the players – batteries, motors, and circuits – in harmony, ensuring a melodious performance of power and functionality.
  • Technological Choreography: Unraveling the Polaris EV wiring diagram is akin to witnessing a choreographed dance of technology. Every wire has a purpose, every connection a role, and the entire system moves with the precision of a well-rehearsed ballet.
  • Connection Chronicles: Beyond the technicalities, the Polaris EV wiring diagram narrates a tale of connections. It's a saga of positive and negative terminals meeting, of electrons embarking on journeys through the intricate pathways, all within the pages of this electrical epic.
  • Diagnostic Odyssey: When an issue arises, the Polaris EV wiring diagram transforms into a diagnostic guide, leading technicians through a journey of troubleshooting. It's a roadmap that helps decipher the language of electrical anomalies and guides towards solutions.
  • Evolutionary Canvas: As technology evolves, so does the canvas of the Polaris EV wiring diagram. It captures the evolutionary footprints of electric mobility, showcasing advancements, innovations, and the relentless pursuit of efficiency in every iteration.
  • Empowerment Paragon: Understanding the Polaris EV wiring diagram is not just for technicians; it's a source of empowerment. It grants enthusiasts and users a peek behind the technological curtain, fostering a sense of connection and comprehension in the electric vehicle experience.

As we delve into the world of the Polaris EV wiring diagram, let us marvel at it not just as a technical document but as a narrative thread woven into the fabric of electric mobility, guiding the wheels of progress with each meticulously traced line.

Conclusion :

As we bring our exploration of the Polaris EV wiring diagram to a close, we hope this comprehensive journey through the intricacies of electrical pathways has been enlightening. Understanding the Polaris EV wiring diagram is not just an exercise in technical deciphering; it's a key to unlocking the potential of your electric vehicle. Whether you are a technician, an enthusiast, or simply curious about the inner workings of electric mobility, the wiring diagram serves as the guiding blueprint, revealing the symphony of circuits and connections that propels the innovative Polaris EV forward.

As electric vehicles become an integral part of the transportation landscape, the knowledge embedded in the Polaris EV wiring diagram becomes increasingly valuable. It's a roadmap for troubleshooting, a canvas for innovations, and a testament to the meticulous engineering that powers sustainable mobility. We encourage you to delve deeper into the technical tapestry of your Polaris EV, using the wiring diagram as a tool for empowerment and understanding. Stay informed, stay curious, and continue exploring the ever-evolving landscape of electric mobility.

Questions and Answer for Polaris EV wiring diagram

Q: What does the Polaris EV wiring diagram include?

  • 1. The Polaris EV wiring diagram is a comprehensive schematic that illustrates the electrical pathways within the vehicle.
  • 2. It includes details on key components like batteries, motors, and various electrical connections.
  • 3. The diagram showcases the intricate circuitry, guiding technicians and enthusiasts in understanding the vehicle's electrical architecture.

Q: How can I use the Polaris EV wiring diagram for troubleshooting?

  • 1. The Polaris EV wiring diagram serves as a diagnostic tool for identifying and addressing electrical issues.
  • 2. It provides insights into the flow of electrons, helping technicians trace potential problems to specific circuits and connections.
  • 3. Technicians can refer to the diagram to systematically troubleshoot, ensuring a precise and efficient resolution of electrical issues.

Q: Are there any modifications I can make using the Polaris EV wiring diagram?

  • 1. The Polaris EV wiring diagram offers enthusiasts valuable insights into potential modifications to enhance vehicle performance.
  • 2. Users can explore strategic upgrades, such as circuit enhancements or modifications to plug points, guided by the wiring diagram.
  • 3. Understanding the diagram empowers users to make informed decisions when customizing their electric vehicle experience.

Q: Is the Polaris EV wiring diagram updated with new models?

  • 1. Yes, manufacturers regularly update Polaris EV wiring diagrams with each new model to reflect technological advancements and changes in electrical systems.
  • 2. Users should refer to the specific wiring diagram corresponding to their vehicle's model and year for the most accurate and up-to-date information.
  • 3. Staying informed about model-specific diagrams ensures accurate insights into the electrical architecture of the latest Polaris EVs.

Label :Polaris EV, Wiring Diagram, Electric Vehicles, Circuitry, Troubleshooting, Modifications

Keyword : Polaris EV wiring diagram

No comments:

Post a Comment