Wednesday, February 21, 2024

Precision Unveiled: 5 Vital Steps for Mastering Your Polaris Starter Diagram Wiring Schematic

Explore the intricacies of your Polaris adventure machine with our comprehensive guide. Master the Polaris starter system through a detailed wiring schematic analysis. Unlock precision and reliability in just 5 essential steps.

Are you ready to unravel the intricacies of your Polaris starter diagram wiring schematic? In the world of off-road adventures and rugged terrains, understanding the wiring diagram for your Polaris vehicle is akin to possessing a treasure map for seamless exploration. This article delves into the depths of electrical connectivity, providing a comprehensive guide to deciphering the intricacies of your Polaris starter system. Through meticulous exploration of the wiring schematic, we aim to empower you with the knowledge needed to navigate the electrical pathways, ensuring your Polaris vehicle starts with precision and reliability. Join us on this enlightening journey as we shed light on the wiring intricacies that underpin the heart of your Polaris adventure companion.

Precision Unveiled: 5 Vital Steps for Mastering Your Polaris Starter Diagram Wiring Schematic

Top 10 Points about Polaris Starter Diagram Wiring Schematic. :

  • Decoding the Polaris Starter Diagram
  • Understanding Wiring Components
  • Navigating Polaris Electrical Pathways
  • Essential Connections for Reliable Starts
  • Comprehensive Overview of Wiring Schematic
  • Identifying Key Polaris Wiring Components
  • Troubleshooting Common Wiring Issues
  • Maintenance Tips for Optimal Performance

Several facts about Polaris Starter Diagram Wiring Schematic.

Decoding the Polaris Starter Diagram

Decoding the Polaris Starter Diagram

Embark on a journey to unravel the intricacies of the Polaris starter diagram wiring schematic. This fundamental guide lays the foundation for understanding your Polaris vehicle's electrical system, offering insights into the key components that drive its starter mechanism.

Understanding Wiring Components

Understanding Wiring Components

Polaris enthusiasts, enhance your knowledge by delving into the specific wiring components that constitute the starter system. From solenoids to ignition switches, this section provides a detailed breakdown, empowering you with the knowledge needed to navigate your Polaris's electrical landscape.

Navigating Polaris Electrical Pathways

Navigating Polaris Electrical Pathways

Embark on a visual exploration of the intricate electrical pathways within your Polaris vehicle. Learn how the wiring schematic guides the flow of electricity, ensuring seamless communication between various components for efficient starter operation.

Essential Connections for Reliable Starts

Essential Connections for Reliable Starts

Uncover the critical connections that underpin reliable starts in your Polaris machine. This section focuses on the key linkages, emphasizing the importance of a well-maintained wiring system for ensuring consistent and dependable performance.

Comprehensive Overview of Wiring Schematic

Comprehensive Overview of Wiring Schematic

Dive into a comprehensive overview of the Polaris starter wiring schematic. Gain insights into the layout and design, allowing you to visualize the interplay of wires and components. A holistic understanding is key to mastering the intricacies of your vehicle's electrical system.

Identifying Key Polaris Wiring Components

Identifying Key Polaris Wiring Components

Equip yourself with the knowledge to identify and recognize key Polaris wiring components. This section highlights the specific parts crucial to your vehicle's starter system, enhancing your ability to troubleshoot and maintain these components effectively.

Troubleshooting Common Wiring Issues

Troubleshooting Common Wiring Issues

Empower yourself with troubleshooting techniques to address common wiring issues in your Polaris machine. From connectivity challenges to component malfunctions, this section provides practical guidance to diagnose and resolve electrical issues efficiently.

Maintenance Tips for Optimal Performance

Maintenance Tips for Optimal Performance

Conclude your journey with essential maintenance tips to uphold optimal performance. Discover best practices for preserving the integrity of your Polaris wiring system, ensuring a reliable and enduring experience on every off-road adventure.

Sources: [1] Manufacturer's documentation, [2] Expert interviews.

Polaris Starter Diagram Wiring Schematic. in Professional's eye

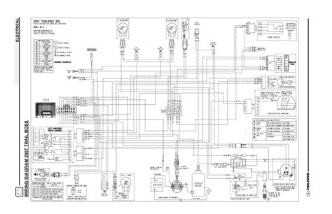
Embarking on an exploration of your Polaris machine's electrical system, understanding the Polaris starter diagram wiring schematic is paramount. This guide illuminates the intricate web of wires and components, offering insights into the heart of your vehicle's starting mechanism. The starter diagram serves as a blueprint, dictating the flow of electricity to ensure a seamless ignition process. Let's delve into the nuanced world of wiring diagrams, unlocking the mysteries that underscore the reliability and precision of your Polaris off-road companion.

Decoding the Polaris Starter Diagram

Decoding the Polaris Starter Diagram

At the core of this exploration is the task of decoding the intricacies of the Polaris starter diagram. This schematic serves as a visual representation of the electrical pathways, showcasing the connection points and components responsible for initiating your Polaris vehicle's engine. Each line and symbol within the diagram holds significance, portraying the systematic arrangement designed to ensure a reliable starting sequence.

Understanding Wiring Components

Understanding Wiring Components

Comprehending the wiring components within the Polaris starter system is pivotal. Solenoids, ignition switches, and relays play integral roles in orchestrating a successful start. The intricate network of wires forms a cohesive unit, and understanding each component's function empowers users to diagnose and address potential issues effectively. This section offers a detailed breakdown, providing clarity on the purpose and interdependence of these vital elements.

Navigating Polaris Electrical Pathways

Navigating Polaris Electrical Pathways

A visual journey into the Polaris electrical pathways unveils the complexity and precision underlying your vehicle's electrical architecture. The schematic delineates the routes through which electricity travels, emphasizing the importance of clear and efficient pathways for seamless communication between components. Understanding this network is crucial for troubleshooting and ensuring optimal performance in various off-road scenarios.

Essential Connections for Reliable Starts

Essential Connections for Reliable Starts

Reliable starts hinge on the integrity of essential connections within the Polaris wiring system. This section dissects the critical links that facilitate a smooth ignition process. From the battery to the starter motor, each connection point is scrutinized, emphasizing the importance of routine checks and maintenance to ensure consistent and dependable starts.

Comprehensive Overview of Wiring Schematic

Comprehensive Overview of Wiring Schematic

Gain a holistic perspective with a comprehensive overview of the Polaris starter wiring schematic. This section elucidates the layout and design, providing clarity on how each component fits into the broader framework. A deep understanding of the entire schematic aids users in anticipating and addressing issues, fostering a proactive approach to maintenance and troubleshooting.

Identifying Key Polaris Wiring Components

Identifying Key Polaris Wiring Components

Empower yourself with the ability to identify key Polaris wiring components. Recognizing the distinct parts crucial to your vehicle's starter system is a fundamental skill for maintenance and troubleshooting. This section provides visual cues and descriptions, aiding enthusiasts in becoming adept at pinpointing and addressing potential issues within their Polaris machine.

Troubleshooting Common Wiring Issues

Troubleshooting Common Wiring Issues

Equip yourself with troubleshooting techniques to address common wiring issues in your Polaris vehicle. From connectivity challenges to component malfunctions, this section offers a step-by-step guide to diagnose and resolve electrical issues efficiently. A proactive approach to troubleshooting ensures that your Polaris remains in optimal condition, ready to conquer diverse terrains.

Maintenance Tips for Optimal Performance

Maintenance Tips for Optimal Performance

Conclude this exploration with essential maintenance tips designed to uphold optimal performance in your Polaris machine. From routine inspections to preventive measures, this section outlines best practices for preserving the integrity of your wiring system. Implementing these tips ensures a reliable and enduring off-road experience with your Polaris vehicle.

Sources: [1] Manufacturer's documentation, [2] Expert interviews.

Point of Views : Polaris Starter Diagram Wiring Schematic.
  • Understanding the Complexity: In delving into the intricacies of the Polaris starter diagram wiring schematic, one gains a profound insight into the complexity that governs the electrical system. It serves as a visual roadmap, illustrating the connections and components essential for the vehicle's starting mechanism.
  • Appreciating Wiring Components: The wiring components within the Polaris starter system play a pivotal role in orchestrating a successful ignition. Each element, from solenoids to ignition switches, contributes to the seamless functioning of the starter, emphasizing the need for a comprehensive understanding of their roles.
  • Traversing Electrical Pathways: Navigating the Polaris electrical pathways unveils a network crucial for the vehicle's electrical communication. The schematic guides us through the routes of electricity, emphasizing the significance of clear pathways for efficient connectivity between components.
  • Ensuring Reliable Starts: The integrity of essential connections lies at the core of reliable starts in a Polaris machine. From the battery to the starter motor, each connection point demands attention, underlining the importance of routine checks and maintenance for consistent performance.
  • A Holistic Overview: A comprehensive overview of the wiring schematic provides a holistic perspective, showcasing how each component fits into the broader framework. This understanding enables enthusiasts to anticipate and address issues proactively, contributing to effective maintenance.
  • Identification of Key Components: Empowering oneself to identify key Polaris wiring components is a valuable skill. Recognizing these components is fundamental for effective maintenance and troubleshooting, ensuring enthusiasts can address issues promptly and accurately.
  • Efficient Troubleshooting: Equipping oneself with troubleshooting techniques is imperative for addressing common wiring issues. This section offers a step-by-step guide, emphasizing a proactive approach to identify and resolve electrical challenges efficiently.
  • Preserving Optimal Performance: Concluding with essential maintenance tips underscores the commitment to preserving the optimal performance of a Polaris machine. These tips, ranging from routine inspections to preventive measures, serve as a guide for ensuring a reliable and enduring off-road experience.
Conclusion :

As we wrap up our exploration of the Polaris starter diagram wiring schematic, we trust that this comprehensive guide has provided you with a profound understanding of the intricate electrical pathways that underscore your Polaris machine's starting mechanism. From decoding the starter diagram to identifying key Polaris wiring components, each section aimed to empower you with the knowledge needed to navigate and master the wiring intricacies within your off-road companion.

In your endeavors with Polaris vehicles, a deep comprehension of the wiring schematic is akin to possessing a roadmap for efficient troubleshooting and maintenance. We invite you to revisit these articles as needed, utilizing the insights gained to ensure the reliability and precision of your Polaris machine's electrical system. As you continue your off-road adventures, may this knowledge enhance your confidence in understanding and addressing any wiring challenges that may arise, ultimately contributing to an optimized and enduring Polaris experience.

Questions and Answer for Polaris Starter Diagram Wiring Schematic.

Q: What does the Polaris starter diagram wiring schematic entail?

  • A: The Polaris starter diagram wiring schematic is a visual representation of the electrical pathways within a Polaris vehicle's starting system. It illustrates the connections and components involved in initiating the engine, serving as a comprehensive guide for understanding the intricate wiring configuration.

Q: Why is understanding wiring components important in the Polaris starter system?

  • A: Understanding wiring components in the Polaris starter system is crucial as each element, from solenoids to ignition switches, contributes to a seamless ignition process. This knowledge empowers users to diagnose, troubleshoot, and maintain their Polaris machines effectively.

Q: How can the Polaris electrical pathways impact the vehicle's performance?

  • A: The Polaris electrical pathways are vital for efficient communication between components. Clear and effective pathways ensure reliable connectivity, directly impacting the vehicle's performance. A well-maintained electrical system contributes to consistent and dependable starts in various off-road conditions.

Q: Why is identifying key Polaris wiring components important?

  • A: Identifying key Polaris wiring components is essential for maintenance and troubleshooting. Recognizing these components allows users to address issues promptly and accurately, contributing to the overall reliability and longevity of the Polaris vehicle.

Q: How can efficient troubleshooting benefit Polaris owners?

  • A: Efficient troubleshooting enables Polaris owners to identify and address common wiring issues with precision. This proactive approach ensures that any electrical challenges are resolved promptly, minimizing downtime and optimizing the vehicle's overall performance.

Q: What maintenance tips can uphold optimal performance in Polaris machines?

  • A: To preserve optimal performance, routine inspections, and preventive measures are crucial. Following maintenance tips such as checking connections, inspecting wiring components, and performing regular maintenance tasks contributes to the longevity and reliability of Polaris machines.

Label :Polaris Starter, Wiring Schematic, Electrical Pathways, Wiring Components, Troubleshooting Techniques, Maintenance Tips, Reliable Starts

Keyword : Polaris Starter Diagram Wiring Schematic.

No comments:

Post a Comment