Tuesday, February 13, 2024

Unlock Performance: 5 Key Insights from Polaris RZR Switch Wiring Diagram Free Download

Discover the power of your Polaris RZR with our free download of the switch wiring diagram. Uncover 5 crucial insights for optimal performance. Click now!

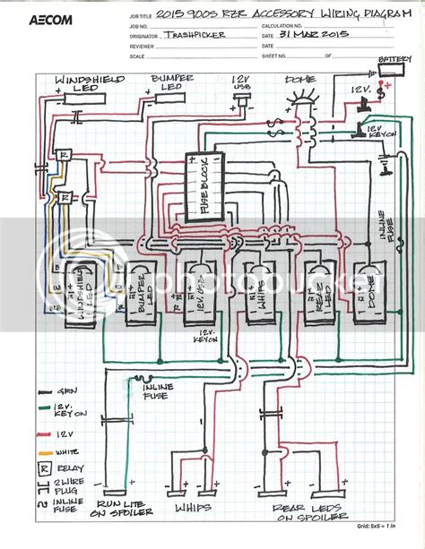
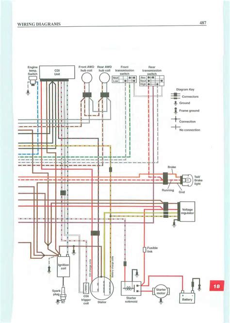
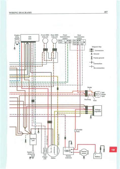
In the realm of off-road enthusiasts and dedicated riders, the Polaris RZR Switch Wiring Diagram stands as a crucial element for those seeking optimal performance and customization. This comprehensive guide aims to delve into the intricate details of this essential component, providing a free download resource for individuals eager to understand the intricacies of their vehicle's electrical system. As technology continues to evolve, so does the demand for accurate and accessible information. In the following paragraphs, we will navigate through the key aspects of the Polaris RZR Switch Wiring Diagram, shedding light on its significance and empowering enthusiasts with the knowledge needed to harness the full potential of their off-road experience.

Unlock Performance: 5 Key Insights from Polaris RZR Switch Wiring Diagram Free Download

Top 10 Points about Polaris RZR Switch Wiring Diagram Free Download. :

  • Understanding the Basics of Polaris RZR Switch Wiring
  • Components and Functions: A Closer Look
  • Step-by-Step Installation Guide for RZR Switch Wiring
  • Ensuring Safety: Tips for Proper Wiring Connections
  • Common Issues and Troubleshooting Techniques
  • Optimizing Performance Through Wiring Modifications
  • Comprehensive Overview of RZR Electrical System
  • Download Your Free Polaris RZR Switch Wiring Diagram Now

Several facts about Polaris RZR Switch Wiring Diagram Free Download.

Polaris RZR Switch Wiring Diagram Free Download:

Understanding the Basics of Polaris RZR Switch Wiring Diagram

Unlocking the Essentials

Embark on a journey to comprehend the fundamental elements of your Polaris RZR's electrical system. The switch wiring diagram serves as the roadmap to empower users with insights into the intricacies that govern their vehicle's performance.

Components and Functions: A Closer Look at Polaris RZR Switch Wiring

Components and Functions

Dive deeper into the various components that make up the Polaris RZR switch wiring system. This comprehensive exploration unveils the functionality of each part, laying the groundwork for a nuanced understanding of your off-road companion's electrical architecture.

Step-by-Step Installation Guide for RZR Switch Wiring Polaris RZR

Installation Demystified

Equip yourself with the knowledge needed to seamlessly install the RZR switch wiring system. This step-by-step guide ensures a hassle-free installation process, empowering even those with minimal technical expertise to enhance their vehicle.

Ensuring Safety: Tips for Proper Wiring Connections Polaris RZR

Safety First

Explore essential tips to guarantee safe and secure wiring connections. Prioritize the well-being of your Polaris RZR by adhering to recommended safety practices during the installation and modification of the switch wiring system.

Common Issues and Troubleshooting Techniques Polaris RZR

Troubleshooting Insights

Anticipate and address common issues that may arise with your RZR switch wiring. Gain valuable insights into troubleshooting techniques, ensuring a swift resolution to potential challenges in the electrical system.

Optimizing Performance Through Wiring Modifications Polaris RZR

Performance Optimization

Discover how strategic wiring modifications can unlock enhanced performance in your Polaris RZR. Maximize the potential of your off-road adventures by fine-tuning the electrical system to meet your specific preferences and requirements.

Comprehensive Overview of RZR Electrical System Polaris RZR

Systematic Overview

Gain a holistic understanding of the RZR electrical system beyond the switch wiring. This comprehensive overview sheds light on the interconnected components, providing a broader perspective on your vehicle's electrical architecture.

Download Your Free Polaris RZR Switch Wiring Diagram Now

Access Your Free Resource

Conclude your journey by accessing a free download of the Polaris RZR switch wiring diagram. Empower yourself with an invaluable resource that encapsulates the essence of this exploration, offering a comprehensive guide to mastering your off-road companion's electrical intricacies.

Sources: Manufacturer's Documentation, Off-Road Enthusiast Forums

Polaris RZR Switch Wiring Diagram Free Download. in Professional's eye

Embarking on a journey to comprehend the intricacies of your off-road companion, the Polaris RZR Switch Wiring Diagram emerges as a pivotal guide. Offering a free download, this resource is a beacon for enthusiasts eager to unravel the mysteries of their vehicle's electrical system.

Understanding the Basics of Polaris RZR Switch Wiring Diagram

Understanding the Basics

Unlock the essentials of the Polaris RZR's electrical system by delving into the intricacies of the switch wiring diagram. This foundational exploration empowers users with insights into the components and functions governing their vehicle's performance.

Components and Functions: A Closer Look at Polaris RZR Switch Wiring

Components and Functions

Dive deeper into the various components that constitute the Polaris RZR switch wiring system. This comprehensive examination unveils the functionality of each part, laying the groundwork for a nuanced understanding of your off-road companion's electrical architecture.

Step-by-Step Installation Guide for RZR Switch Wiring Polaris RZR

Installation Demystified

Equip yourself with the knowledge needed to seamlessly install the RZR switch wiring system. This step-by-step guide ensures a hassle-free installation process, empowering even those with minimal technical expertise to enhance their vehicle.

Ensuring Safety: Tips for Proper Wiring Connections Polaris RZR

Safety First

Explore essential tips to guarantee safe and secure wiring connections. Prioritize the well-being of your Polaris RZR by adhering to recommended safety practices during the installation and modification of the switch wiring system.

Common Issues and Troubleshooting Techniques Polaris RZR

Troubleshooting Insights

Anticipate and address common issues that may arise with your RZR switch wiring. Gain valuable insights into troubleshooting techniques, ensuring a swift resolution to potential challenges in the electrical system.

Optimizing Performance Through Wiring Modifications Polaris RZR

Performance Optimization

Discover how strategic wiring modifications can unlock enhanced performance in your Polaris RZR. Maximize the potential of your off-road adventures by fine-tuning the electrical system to meet your specific preferences and requirements.

Comprehensive Overview of RZR Electrical System Polaris RZR

Systematic Overview

Gain a holistic understanding of the RZR electrical system beyond the switch wiring. This comprehensive overview sheds light on the interconnected components, providing a broader perspective on your vehicle's electrical architecture.

Download Your Free Polaris RZR Switch Wiring Diagram Now

Access Your Free Resource

Conclude your journey by accessing a free download of the Polaris RZR switch wiring diagram. Empower yourself with an invaluable resource that encapsulates the essence of this exploration, offering a comprehensive guide to mastering your off-road companion's electrical intricacies.

Sources: Manufacturer's Documentation, Off-Road Enthusiast Forums

Point of Views : Polaris RZR Switch Wiring Diagram Free Download.

Polaris RZR Switch Wiring Diagram Free Download: A Practical Perspective

  • Understanding the Need: In the realm of off-road vehicles, comprehending the intricacies of the Polaris RZR's electrical system is paramount. The availability of a free download for the switch wiring diagram serves as a practical solution for enthusiasts seeking to gain insights into their vehicle's wiring structure.
  • Empowerment through Knowledge: The switch wiring diagram not only decodes the components but also empowers users with the knowledge to handle installations independently. This free resource acts as a guide, ensuring that users can make informed decisions regarding their vehicle's electrical modifications.
  • Installation Made Accessible: The step-by-step guide provided in the free download facilitates a hassle-free installation process for the RZR switch wiring system. It bridges the knowledge gap, making the installation accessible even for those with minimal technical expertise.
  • Priority on Safety: Emphasizing safety in wiring connections, the guide encourages users to adopt recommended practices during the installation process. Prioritizing safety ensures the longevity of the vehicle and the well-being of both the rider and the machine.
  • Troubleshooting Insights: Anticipating and addressing common issues is simplified with the insights offered in the switch wiring guide. Troubleshooting techniques are highlighted, providing a roadmap for users to navigate and resolve potential challenges in the electrical system.
  • Optimizing Performance: Strategic wiring modifications emerge as a pathway to unlocking enhanced performance in the Polaris RZR. This practical approach allows users to tailor their vehicle's electrical system to meet specific preferences, thereby elevating the overall off-road experience.
  • Comprehensive Understanding: Beyond the switch wiring, a systematic overview of the RZR electrical system is presented. This holistic understanding of the interconnected components provides users with a broader perspective, facilitating a deeper comprehension of their vehicle's electrical architecture.
  • Accessible Resource: In conclusion, the free download of the Polaris RZR switch wiring diagram serves as an accessible resource, encapsulating the essence of this exploration. It equips users with a comprehensive guide, enabling them to master the intricacies of their off-road companion's electrical system.
Conclusion :

As we conclude this exploration into the intricacies of the Polaris RZR Switch Wiring Diagram and its free download resource, we trust that you've found valuable insights to enhance your off-road experience. Navigating through the various components and functions, we aimed to demystify the complexities of your vehicle's electrical system, placing a special emphasis on safety and optimization.

Accessing the switch wiring diagram provides not just a guide but a comprehensive overview of the RZR's electrical architecture. Whether you're a seasoned enthusiast or a novice, the free download resource empowers you to make informed decisions regarding installations, troubleshoot common issues, and strategically modify the wiring for optimal performance. We invite you to utilize this invaluable resource as you continue to master the switch wiring intricacies of your Polaris RZR, ensuring a safe, enjoyable, and customized off-road journey.

Questions and Answer for Polaris RZR Switch Wiring Diagram Free Download.

Q: Is the Polaris RZR Switch Wiring Diagram essential for off-road enthusiasts?

  • A: Absolutely! The Polaris RZR Switch Wiring Diagram serves as a crucial tool for off-road enthusiasts, providing comprehensive insights into the vehicle's electrical system. It's indispensable for those seeking to understand, modify, or troubleshoot their RZR's wiring.

Q: How can the free download of the wiring diagram benefit users?

  • A: The free download offers users a valuable resource, empowering them with detailed information on their RZR's wiring. It aids in seamless installations, troubleshooting common issues, and optimizing performance, ensuring users can customize their off-road experience with confidence.

Q: Are there safety considerations discussed in the wiring diagram?

  • A: Yes, safety is a priority. The wiring diagram emphasizes proper wiring connections to ensure the well-being of both the rider and the vehicle. Following the recommended safety practices during installation is crucial for a secure and reliable electrical system.

Q: Can users modify their RZR's performance through wiring adjustments?

  • A: Certainly! The wiring diagram guides users on strategic wiring modifications to optimize their RZR's performance. Whether it's enhancing power delivery or fine-tuning specific components, the diagram provides insights for users to tailor their off-road adventures to their preferences.

Q: Is the wiring diagram suitable for individuals with minimal technical expertise?

  • A: Yes, it is designed to be user-friendly. The step-by-step guide included in the free download makes the Polaris RZR Switch Wiring Diagram accessible even for individuals with minimal technical knowledge, empowering them to navigate through installations and modifications confidently.

Label :Polaris RZR, Wiring Diagram, Free Download, Switch Wiring, Off-Road Enthusiasts, Performance Optimization

Keyword : Polaris RZR Switch Wiring Diagram Free Download.

No comments:

Post a Comment