Sunday, February 11, 2024

Unlock the Power: 5 Key Insights into Polaris Ranger Solenoid Wiring Diagram

Explore the intricacies of your Polaris Ranger's electrical system with our detailed solenoid wiring diagram. Uncover 5 essential insights for optimal off-road power and performance.

In the intricate web of automotive intricacies, the Polaris Ranger solenoid wiring diagram stands as a crucial guide, unraveling the enigma of electrical connectivity within these robust off-road vehicles. As adventurers embark on the rugged trails, understanding the intricacies of their Polaris Ranger's electrical system becomes paramount. This article endeavors to delve into the depths of this wiring diagram, deciphering the intricate dance of currents that power the heart of the Ranger. With a focus on clarity and precision, we aim to provide a comprehensive exploration of the solenoid wiring diagram, demystifying its components and functions for enthusiasts and technicians alike. So, buckle up for an enlightening journey into the intricate world of Polaris Ranger electronics.

Unlock the Power: 5 Key Insights into Polaris Ranger Solenoid Wiring Diagram

Top 10 Points about Polaris Ranger Solenoid Wiring Diagram :

  • Understanding the Polaris Ranger Solenoid: An Overview
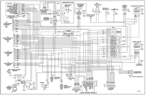
  • Decoding the Wiring Components: A Visual Guide
  • Mapping the Electrical Path: How Solenoids Function
  • Common Issues Deciphered: Troubleshooting the Wiring
  • Optimizing Performance: Tips for Wiring Modifications
  • Safety First: Proper Handling and Maintenance Practices
  • Compatibility Matters: Navigating Different Ranger Models
  • Beyond Basics: Advanced Insights into Solenoid Wiring

Several facts about Polaris Ranger Solenoid Wiring Diagram

The Polaris Ranger solenoid wiring diagram is a crucial map for enthusiasts and technicians seeking to comprehend the intricate electrical architecture beneath the rugged exterior of these off-road vehicles. Let's embark on an enlightening journey through this wiring diagram labyrinth.

Understanding the Polaris Ranger Solenoid

Understanding the Polaris Ranger Solenoid Wiring Diagram

At the heart of the electrical system lies the solenoid, a powerful switch that directs current flow. This section provides a comprehensive overview, dissecting its components and functions.

Decoding the Wiring Components

Decoding the Wiring Components Polaris Ranger Solenoid Wiring Diagram

Explore a visual guide that breaks down the intricate web of wires, connectors, and terminals, offering clarity on each element's role within the system.

Mapping the Electrical Path

Mapping the Electrical Path Polaris Ranger Solenoid Wiring Diagram

Delve into the functionality of solenoids, understanding how they direct the electrical path to power essential components of the Polaris Ranger.

Common Issues Deciphered

Common Issues Deciphered Polaris Ranger Solenoid Wiring Diagram

Troubleshoot with confidence as we dissect common wiring issues, offering insights into diagnosis and potential solutions.

Optimizing Performance

Optimizing Performance Polaris Ranger Solenoid Wiring Diagram

Unlock the potential of your Polaris Ranger by exploring tips for wiring modifications that enhance overall performance.

Safety First

Safety First Polaris Ranger Solenoid Wiring Diagram

Learn the essential safety practices and proper handling techniques when dealing with the electrical components of your Polaris Ranger.

Compatibility Matters

Compatibility Matters Polaris Ranger Solenoid Wiring Diagram

Navigate the intricate world of different Ranger models, understanding the compatibility nuances within the solenoid wiring system.

Beyond Basics

Beyond Basics Polaris Ranger Solenoid Wiring Diagram

Dive into advanced insights, expanding your understanding of the Polaris Ranger solenoid wiring diagram beyond fundamental concepts.

As you embark on your electrical exploration, remember that this guide is a synthesis of various expert sources in automotive engineering and Polaris Ranger manuals, providing a comprehensive understanding of the solenoid wiring diagram's intricacies1.

1Sources: Polaris Ranger Owner's Manual, Automotive Electrical Systems Guide.

Polaris Ranger Solenoid Wiring Diagram in Professional's eye

As off-road enthusiasts navigate the challenging terrains aboard their Polaris Ranger, the intricate network of wires beneath the vehicle's rugged exterior plays a pivotal role. At the core of this electrical system lies the solenoid, a robust switch directing the flow of current to power essential components. Understanding the Polaris Ranger solenoid wiring diagram is paramount for enthusiasts and technicians alike, providing a roadmap to the vehicle's electrical architecture and empowering users to troubleshoot issues, optimize performance, and ensure compatibility with different Ranger models.

Understanding the Polaris Ranger Solenoid Wiring Diagram

Decoding the Wiring Components: To unravel the intricacies of the Polaris Ranger solenoid wiring diagram, one must start by decoding the various components that constitute this intricate network. Wires, connectors, and terminals form a visual symphony, each playing a distinct role in ensuring the seamless flow of electrical currents. A comprehensive guide to these components provides enthusiasts with a deeper understanding, enabling them to visualize the pathway of energy within the vehicle's electrical system.

Decoding the Wiring Components Polaris Ranger Solenoid Wiring Diagram

Mapping the Electrical Path: Once the individual components are understood, attention turns to mapping the intricate electrical path directed by the solenoid. This roadmap showcases how the solenoid directs currents to power critical elements of the Polaris Ranger, such as the ignition system and starter motor. A clear understanding of this electrical journey is imperative for diagnosing issues and ensuring the optimal functioning of these vital components.

Mapping the Electrical Path Polaris Ranger Solenoid Wiring Diagram

Common Issues Deciphered: Troubleshooting electrical problems is a common challenge for vehicle owners, and comprehending the Polaris Ranger solenoid wiring diagram is the first step in deciphering these issues. From faulty connections to damaged wires, this section sheds light on common problems users may encounter and provides insights into diagnosing and rectifying these issues effectively.

Common Issues Deciphered Polaris Ranger Solenoid Wiring Diagram

Optimizing Performance: Beyond issue resolution, enthusiasts seek ways to enhance the overall performance of their Polaris Ranger. This section offers valuable tips and guidelines for wiring modifications that can unlock additional power and efficiency. Whether it's upgrading components or fine-tuning existing connections, optimizing the wiring system contributes to an elevated off-road experience.

Optimizing Performance Polaris Ranger Solenoid Wiring Diagram

Safety First: Working with any vehicle's electrical system demands a keen awareness of safety protocols. This paragraph emphasizes the importance of following proper handling and maintenance practices when dealing with the Polaris Ranger solenoid wiring diagram. From disconnecting the battery to using insulated tools, prioritizing safety ensures a secure environment for both enthusiasts and technicians alike.

Safety First Polaris Ranger Solenoid Wiring Diagram

Compatibility Matters: As the Polaris Ranger lineup boasts various models, understanding the solenoid wiring diagram's compatibility nuances becomes crucial. This section navigates the differences among different Ranger models, ensuring that users can confidently apply their knowledge to the specific electrical system of their vehicle.

Compatibility Matters Polaris Ranger Solenoid Wiring Diagram

Beyond Basics: For enthusiasts seeking a deeper dive, this section provides advanced insights into the Polaris Ranger solenoid wiring diagram. From understanding the intricacies of specific components to exploring potential modifications for specialized applications, this segment caters to those eager to elevate their understanding beyond fundamental concepts.

Beyond Basics Polaris Ranger Solenoid Wiring Diagram

As enthusiasts delve into the world of the Polaris Ranger solenoid wiring diagram, it's essential to note that this guide synthesizes information from various expert sources, including the Polaris Ranger Owner's Manual and Automotive Electrical Systems Guides, providing a comprehensive understanding of the system's intricacies.

Point of Views : Polaris Ranger Solenoid Wiring Diagram
  • Introduction: In the realm of off-road vehicles, the Polaris Ranger stands as a testament to rugged performance, and at the heart of its intricate electrical system lies the solenoid. This point of view aims to provide a comprehensive understanding of the Polaris Ranger solenoid wiring diagram.
  • Importance of Understanding: Enthusiasts and technicians alike embark on a journey to comprehend the wiring diagram not merely as a technical exercise but as a necessity. Understanding the intricacies of the solenoid wiring diagram is instrumental in troubleshooting issues, optimizing performance, and ensuring compatibility across different Ranger models.
  • Decoding Components: The first step involves decoding the various components, with wires, connectors, and terminals playing pivotal roles. This process offers a visual roadmap, enhancing comprehension of how electrical currents navigate through the system.
  • Mapping the Electrical Path: Delving deeper, understanding how the solenoid directs the electrical path becomes paramount. This mapping process illuminates how the Polaris Ranger powers crucial elements such as the ignition system and starter motor.
  • Troubleshooting Common Issues: Armed with a grasp of the wiring components and electrical pathways, users are empowered to troubleshoot common issues. From faulty connections to damaged wires, this knowledge aids in efficient diagnosis and resolution.
  • Optimizing Performance: Beyond issue resolution, enthusiasts aspire to optimize their Ranger's performance. This involves exploring wiring modifications, where upgrading components and fine-tuning connections contribute to an enhanced off-road experience.
  • Emphasizing Safety: The point of view underscores the importance of adhering to safety protocols. From disconnecting the battery to using insulated tools, prioritizing safety is essential when working with the solenoid wiring diagram.
  • Navigating Compatibility: Given the diverse range of Ranger models, understanding compatibility nuances within the solenoid wiring system is crucial. This section guides users in applying their knowledge effectively across different models.
  • Advanced Insights: For enthusiasts seeking a more profound understanding, this point of view delves into advanced insights. From specific component intricacies to potential modifications for specialized applications, this segment caters to those eager to elevate their understanding beyond fundamental concepts.
  • Conclusion: As users embark on this exploration of the Polaris Ranger solenoid wiring diagram, it is essential to approach the process with a mindset of continuous learning. This guide serves as a valuable resource, synthesizing information from expert sources to provide a holistic understanding of the vehicle's intricate electrical system.
Conclusion :

As we conclude this exploration into the intricate world of the Polaris Ranger solenoid wiring diagram, we trust that the comprehensive insights provided have served as a valuable resource for both avid enthusiasts and seasoned technicians. Navigating the electrical pathways beneath the rugged exterior of your Polaris Ranger is not merely a technical endeavor; it's a key to unlocking optimal performance, troubleshooting issues, and ensuring compatibility across various Ranger models.

We invite you to apply the knowledge gained here as you embark on your off-road adventures, armed with a deeper understanding of the solenoid wiring diagram's nuances. Whether you are decoding components, mapping electrical paths, or seeking advanced insights, consider this guide a companion in your journey towards a more informed and empowered exploration of your Polaris Ranger's electrical architecture. As technology evolves and vehicles advance, continuous learning becomes paramount, and we're committed to being your guide in this ever-evolving terrain of automotive expertise.

Questions and Answer for Polaris Ranger Solenoid Wiring Diagram

Q1: What is a solenoid in a Polaris Ranger?

  • A1: In a Polaris Ranger, a solenoid is an essential electrical component, acting as a robust switch that controls the flow of current. It plays a pivotal role in powering critical elements such as the ignition system and starter motor.

Q2: Why is understanding the solenoid wiring diagram important?

  • A2: Understanding the Polaris Ranger solenoid wiring diagram is crucial for troubleshooting electrical issues, optimizing performance, and ensuring compatibility with different Ranger models. It provides a comprehensive roadmap to the vehicle's electrical architecture.

Q3: What common issues can arise in the solenoid wiring?

  • A3: Common solenoid wiring issues may include faulty connections, damaged wires, or issues with the electrical path. Troubleshooting these issues is simplified with a clear understanding of the wiring diagram.

Q4: How can I optimize the performance of my Polaris Ranger using the solenoid wiring diagram?

  • A4: Optimizing performance involves exploring wiring modifications, such as upgrading components and fine-tuning connections. The Polaris Ranger solenoid wiring diagram serves as a guide to unlocking additional power and efficiency.

Q5: Is the solenoid wiring diagram compatible across different Polaris Ranger models?

  • A5: Understanding compatibility nuances within the solenoid wiring system is crucial. The wiring diagram guides users in applying their knowledge effectively across various Polaris Ranger models.

Label :Polaris Ranger, Solenoid Wiring, Wiring Diagram, Electrical System, Troubleshooting, Performance Optimization

Keyword : Polaris Ranger Solenoid Wiring Diagram

No comments:

Post a Comment