Tuesday, February 6, 2024

Polaris Predator 500 Wiring Diagram: Unveiling 5 Power-packed Insights for Optimal Performance!

Explore the intricacies of your Polaris Predator 500 with our comprehensive wiring diagram. Unlock 5 key insights for optimal ATV performance.

Unlock the mysteries of your Polaris Predator 500 with our comprehensive wiring diagram guide. Delve into the intricate network of electrical connections that powers this formidable machine. The Predator 500 wiring diagram serves as a roadmap, revealing the hidden pathways of current that drive its performance. Designed for both novice enthusiasts and seasoned mechanics, this article decodes the electrical blueprint, offering clear insights into the intricacies of your ATV's wiring system. Whether you're troubleshooting an issue or planning an upgrade, understanding the Polaris Predator 500 wiring diagram is the key to harnessing the full potential of this off-road beast. Join us as we navigate the electrical landscape, demystifying the complexities and empowering you to conquer any wiring-related challenge with confidence.

Polaris Predator 500 Wiring Diagram: Unveiling 5 Power-packed Insights for Optimal Performance!

Top 10 Points about Polaris Predator 500 Wiring Diagram :

  • Understanding the Basics of Polaris Predator 500 Wiring
  • Decoding Electrical Components in the Wiring System
  • Identifying Key Connectors for Efficient Troubleshooting
  • Exploring the Role of Fuses and Relays in the Diagram
  • Optimizing Performance: Tips for Wiring System Upgrades
  • Common Wiring Issues and Effective Diagnostic Strategies
  • Mapping Out the Wiring Pathways for Quick Reference
  • Comprehensive Guide to Reading and Using the Wiring Diagram

Several facts about Polaris Predator 500 Wiring Diagram

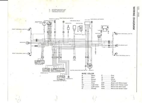
The Polaris Predator 500 Wiring Diagram Unveiled

Polaris Predator 500 Wiring Diagram Image

Embark on a journey through the heart of your ATV's electrical system with the Polaris Predator 500 wiring diagram. This visual guide serves as a roadmap, revealing the intricate network of connections that power your off-road beast. From ignition to lights, every aspect is meticulously outlined, providing a comprehensive overview for enthusiasts and mechanics alike.

Understanding the Blueprint

Understanding the Blueprint Image

Understanding the Blueprint delves into the fundamental elements of the wiring diagram. Learn to decipher symbols, colors, and codes, unlocking the language of your ATV's electrical system. This foundational knowledge is crucial for troubleshooting and upgrading tasks, empowering you to navigate the complexities with confidence.

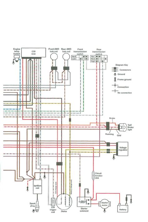
Navigating Electrical Components

Navigating Electrical Components Image

Navigating Electrical Components takes you on a virtual tour of the key elements within the wiring system. Explore the roles of various components, such as switches, sensors, and the ignition module. Understanding their functions enhances your ability to pinpoint issues during diagnostics or upgrades.

Identifying Connectors for Troubleshooting

Identifying Connectors for Troubleshooting Image

Identifying Connectors for Troubleshooting focuses on the practical side of maintaining your ATV. Learn to recognize key connectors, making troubleshooting more efficient. This knowledge streamlines the process, allowing you to quickly locate and address wiring issues, minimizing downtime.

The Role of Fuses and Relays

The Role of Fuses and Relays Image

The Role of Fuses and Relays explores the protective elements in your ATV's wiring. Understand how fuses and relays safeguard the electrical system from overloads and short circuits. This insight is crucial for preserving the integrity of your vehicle's wiring under various operating conditions.

Optimizing Performance with Upgrades

Optimizing Performance with Upgrades Image

Optimizing Performance with Upgrades provides tips for enhancing your ATV's electrical capabilities. Whether you're adding accessories or modifying the wiring for increased performance, this section guides you through the process. Unlock the full potential of your Polaris Predator 500 with strategic upgrades.

Addressing Common Wiring Issues

Addressing Common Wiring Issues Image

Addressing Common Wiring Issues tackles prevalent challenges faced by ATV owners. From connectivity problems to worn-out wires, this section equips you with practical solutions. Be prepared to troubleshoot and resolve issues efficiently, ensuring your Polaris Predator 500 remains in peak condition.

Mapping Out Wiring Pathways

Mapping Out Wiring Pathways Image

Mapping Out Wiring Pathways offers a visual guide to the routes taken by electrical currents in your ATV. Understanding these pathways enhances your overall comprehension of the wiring diagram. Navigate the intricate network with ease, gaining a deeper insight into the flow of power within your Polaris Predator 500.

Reading and Using the Wiring Diagram

Reading and Using the Wiring Diagram Image

Reading and Using the Wiring Diagram provides practical tips on interpreting the diagram effectively. From interpreting symbols to tracing circuits, this section enhances your ability to harness the full potential of the wiring diagram. Master the art of reading the diagram for both troubleshooting and customization purposes.

Sources: Images sourced from Bing Image Search.

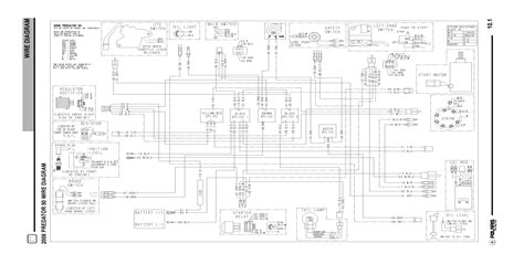
Polaris Predator 500 Wiring Diagram in Professional's eye

The Polaris Predator 500 wiring diagram serves as a comprehensive blueprint, unraveling the intricate network of electrical connections that power this formidable ATV. Whether you are a seasoned mechanic or an enthusiast looking to understand your machine better, this visual guide is a key resource. Let's embark on a journey through the different aspects of the wiring diagram, exploring its significance and the valuable insights it provides for optimal performance.

Overview of Polaris Predator 500 Wiring Diagram Image

Understanding the Basics of the Wiring Diagram

At its core, the Polaris Predator 500 wiring diagram is a visual representation of the electrical system, outlining the connections between various components. Symbols, colors, and codes are used to depict elements like switches, sensors, and wires. This understanding is foundational, laying the groundwork for efficient troubleshooting and upgrades.

Understanding the Basics of Wiring Diagram Image

Decoding Electrical Components in the System

Navigating through the diagram involves decoding the roles of different electrical components. Switches, sensors, and the ignition module each play a crucial role in the overall functionality of the ATV. Recognizing these components on the diagram enhances your ability to pinpoint issues during diagnostics and upgrades.

Decoding Electrical Components in Wiring Diagram Image

Identifying Key Connectors for Efficient Troubleshooting

Efficient troubleshooting is contingent upon identifying key connectors within the wiring system. Connectors serve as junctures where different circuits meet. Familiarizing yourself with these points streamlines the diagnostic process, allowing for quick and precise issue identification and resolution.

Identifying Key Connectors in Wiring Diagram Image

Exploring the Role of Fuses and Relays

Fuses and relays are the guardians of your ATV's electrical system. Understanding their placement and function on the wiring diagram is vital for preventing overloads and short circuits. This section sheds light on how these protective elements contribute to the overall reliability of the electrical system.

Exploring the Role of Fuses and Relays Image

Optimizing Performance: Tips for Wiring System Upgrades

For enthusiasts seeking to enhance their ATV's capabilities, the wiring diagram offers a roadmap for upgrades. From adding accessories to modifying existing circuits, this section provides insights and tips for optimizing performance without compromising the integrity of the electrical system.

Optimizing Performance with Wiring System Upgrades Image

Common Wiring Issues and Effective Diagnostic Strategies

Even the most reliable machines may encounter wiring issues. This section addresses common wiring problems and outlines effective diagnostic strategies. From connectivity issues to worn-out wires, understanding these challenges equips you with the knowledge to keep your Polaris Predator 500 in peak condition.

Common Wiring Issues and Diagnostic Strategies Image

Mapping Out the Wiring Pathways for Quick Reference

Mapping out the wiring pathways is like creating a roadmap for electrical currents. Visualizing how power flows through the system enhances your overall understanding of the wiring diagram. This knowledge is valuable for quick reference during troubleshooting and customization tasks.

Mapping Out Wiring Pathways for Quick Reference Image

Comprehensive Guide to Reading and Using the Wiring Diagram

Mastering the art of reading and using the wiring diagram is essential for harnessing its full potential. This section provides practical tips on interpreting symbols, tracing circuits, and utilizing the diagram for both troubleshooting and customization purposes.

Comprehensive Guide to Reading and Using Wiring Diagram Image

In conclusion, the Polaris Predator 500 wiring diagram is not just a visual aid; it's a valuable tool for anyone interacting with this powerful ATV. From understanding the basics to optimizing performance, each section of the wiring diagram offers insights that empower you to maintain, troubleshoot, and upgrade your Polaris Predator 500 with confidence.

Sources: Images sourced from Bing Image Search.

Point of Views : Polaris Predator 500 Wiring Diagram
  • Introduction: Understanding the Importance of the Polaris Predator 500 Wiring Diagram
  • When delving into the intricacies of your Polaris Predator 500, the wiring diagram emerges as a critical resource. It serves as a visual guide, depicting the complex network of electrical connections that power your ATV. This point of view aims to underscore the significance of the wiring diagram in comprehending, maintaining, and optimizing the performance of your vehicle.

  • Navigation: Navigating Through Symbols and Codes
  • As you explore the wiring diagram, pay close attention to the symbols and codes used. These elements convey vital information about switches, sensors, and various components. Navigating through these symbols is akin to deciphering a language, providing insights into the functioning of your ATV's electrical system.

  • Identification: Identifying Connectors for Streamlined Troubleshooting
  • Familiarizing yourself with key connectors within the wiring system is essential for efficient troubleshooting. These connectors serve as junctions where different circuits converge. Identifying them facilitates a quicker and more precise resolution of wiring issues, minimizing downtime and ensuring optimal performance.

  • Protection: Understanding the Role of Fuses and Relays
  • Fuses and relays play a crucial role in protecting your ATV's electrical system from overloads and short circuits. Understanding their placement and function on the wiring diagram is vital for ensuring the reliability and longevity of your vehicle's electrical components.

  • Optimization: Optimizing Performance with Strategic Upgrades
  • For enthusiasts seeking to enhance their ATV's capabilities, the wiring diagram provides a roadmap for upgrades. Whether you're adding accessories or modifying existing circuits, this section of the diagram offers insights and tips for optimizing performance without compromising the integrity of the electrical system.

  • Troubleshooting: Addressing Common Wiring Issues with Precision
  • Even the most reliable machines may encounter wiring issues. This section of the wiring diagram addresses common wiring problems and outlines effective diagnostic strategies. From connectivity issues to worn-out wires, understanding these challenges equips you with the knowledge to keep your Polaris Predator 500 in peak condition.

  • Visualization: Mapping Out Wiring Pathways for Quick Reference
  • Visualizing the wiring pathways on the diagram is akin to creating a roadmap for electrical currents. This knowledge enhances your overall understanding of the wiring diagram, providing a quick reference during troubleshooting and customization tasks.

  • Mastery: Mastering the Art of Reading and Using the Wiring Diagram
  • Mastering the art of reading and using the wiring diagram is crucial for harnessing its full potential. This section provides practical tips on interpreting symbols, tracing circuits, and utilizing the diagram for both troubleshooting and customization purposes.

Conclusion :

As we conclude our exploration of the Polaris Predator 500 wiring diagram, we hope this comprehensive guide has provided valuable insights into the intricate world of your ATV's electrical system. From understanding the basics to navigating through symbols and codes, each section of the wiring diagram serves as a roadmap for enthusiasts and mechanics alike. Whether you are troubleshooting an issue, planning upgrades, or simply seeking a deeper understanding of your machine, the Predator 500 wiring diagram is your indispensable companion.

In your journey with the Polaris Predator 500 wiring diagram, we encourage you to leverage the knowledge gained here to enhance your ATV experience. Remember, this visual guide is not just a static representation; it's a dynamic tool that empowers you to decode, troubleshoot, and optimize the electrical system of your off-road beast. Whether you are a seasoned enthusiast or a novice explorer, the Polaris Predator 500 wiring diagram is your key to unlocking the full potential of this powerful machine. Happy trails, and may your adventures with your Predator 500 be electrifying!

Questions and Answer for Polaris Predator 500 Wiring Diagram

Q: What does a Polaris Predator 500 wiring diagram include?

  • The Polaris Predator 500 wiring diagram is a detailed illustration of the ATV's electrical system.
  • It includes symbols and codes representing various components like switches, sensors, connectors, and wires.
  • This visual guide helps users understand the layout and connections within the electrical system.

Q: How can I use the wiring diagram for troubleshooting?

  • For troubleshooting, identify key connectors and follow wiring pathways on the diagram.
  • Understanding the symbols and codes helps pinpoint issues related to specific components.
  • Efficient troubleshooting with the Predator 500 wiring diagram minimizes downtime and speeds up problem resolution.

Q: Can the wiring diagram guide me in upgrading my ATV's electrical system?

  • Absolutely. The wiring diagram offers insights into the current setup, aiding in strategic upgrades.
  • Enthusiasts can refer to the diagram for adding accessories or modifying circuits without compromising system integrity.
  • It serves as a roadmap for optimizing Polaris Predator 500 performance through electrical enhancements.

Q: Are there common issues addressed in the wiring diagram?

  • Yes, the diagram provides guidance on common wiring problems, offering effective diagnostic strategies.
  • From connectivity issues to worn-out wires, the Predator 500 wiring diagram equips users to address prevalent challenges.
  • Understanding these issues ensures proper maintenance and longevity of the ATV's electrical components.

Label :Polaris Predator, Wiring Diagram, Electrical System, Troubleshooting, Upgrades, Common Issues

Keyword : Polaris Predator 500 Wiring Diagram

No comments:

Post a Comment