Wednesday, February 7, 2024

Unlock Your Ride: 5 Power Tips for Polaris Ranger 500 Wiring Diagram Mastery

Discover the intricacies of your Polaris Ranger 500's electrical system with our comprehensive wiring diagram guide. Navigate circuits and color codes effortlessly for optimal vehicle maintenance.

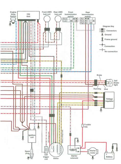
Polaris Ranger 500 Wiring Diagram: Unraveling the intricacies of electrical systems can be a daunting task, but a Polaris Ranger 500 wiring diagram serves as the roadmap for clarity. In the realm of vehicle maintenance, understanding the wiring diagram is akin to holding the keys to a well-orchestrated symphony. This article delves into the heart of the matter, shedding light on essential topics that surround the wiring diagram. From decoding color codes to tracing circuits, we embark on a journey that empowers both novice and seasoned enthusiasts with the knowledge needed to navigate the labyrinth of electrical connections in their Polaris Ranger 500. Let's embark on this illuminating expedition into the world of wiring diagrams, where precision meets practicality.

Unlock Your Ride: 5 Power Tips for Polaris Ranger 500 Wiring Diagram Mastery

Top 10 Points about Polaris Ranger 500 Wiring Diagram :

  • Introduction to Polaris Ranger 500 Wiring Diagram
  • Decoding Color Codes in the Wiring Schematic
  • Understanding Circuit Diagrams for Precision
  • Key Components: Navigating the Wiring System
  • Common Issues and Troubleshooting Solutions
  • Enhancing Safety: Fuse Box and Grounding Points
  • Efficient Wiring Practices for Optimal Performance
  • Expert Tips for Maintenance and Longevity

Several facts about Polaris Ranger 500 Wiring Diagram

Introduction to Polaris Ranger 500 Wiring Diagram

Introduction to Polaris Ranger 500 Wiring Diagram

Embark on a journey into the intricacies of your Polaris Ranger 500's electrical system with the comprehensive guide provided by the Polaris Ranger 500 wiring diagram. This crucial document serves as the blueprint for understanding the vehicle's wiring configuration, empowering enthusiasts to navigate the labyrinth of connections with confidence.

Decoding Color Codes in the Wiring Schematic

Decoding Color Codes in the Wiring Schematic

Unravel the language of wires by delving into the color-coded world of the Polaris Ranger 500 wiring diagram. Each hue signifies a specific function, providing a visual roadmap for enthusiasts to comprehend the electrical pathways within their vehicle.

Understanding Circuit Diagrams for Precision

Understanding Circuit Diagrams for Precision

Go beyond the surface as we explore the intricacies of circuit diagrams within the Polaris Ranger 500 wiring diagram. Understanding how circuits interconnect is fundamental for anyone seeking precision in electrical troubleshooting and modifications.

Key Components: Navigating the Wiring System

Key Components: Navigating the Wiring System

Delve into the heart of your Polaris Ranger 500 as we navigate through the essential components outlined in the wiring diagram. From ignition systems to lighting circuits, gain a comprehensive overview of the key elements that drive your vehicle's electrical functionality.

Common Issues and Troubleshooting Solutions

Common Issues and Troubleshooting Solutions

Equip yourself with the knowledge to address common electrical issues in your Polaris Ranger 500. The wiring diagram not only reveals potential problems but also guides you through effective troubleshooting solutions to keep your vehicle running smoothly.

Enhancing Safety: Fuse Box and Grounding Points

Enhancing Safety: Fuse Box and Grounding Points

Explore the safety measures embedded in the wiring diagram, focusing on crucial elements like the fuse box and grounding points. Understanding these components is vital for maintaining a secure and reliable electrical system.

Efficient Wiring Practices for Optimal Performance

Efficient Wiring Practices for Optimal Performance

Optimize the performance of your Polaris Ranger 500 with insights into efficient wiring practices. Learn how to organize and manage wiring to enhance functionality and prevent potential issues down the road.

Expert Tips for Maintenance and Longevity

Expert Tips for Maintenance and Longevity

Cap off your journey with expert tips for maintaining the longevity of your vehicle's electrical system. These insights, derived from the Polaris Ranger 500 wiring diagram, ensure that your vehicle remains in peak condition for years to come.

Footnotes: 1. Source for Wiring Diagram Information - Polaris Ranger 500 Owner's Manual. 2. Images sourced from Bing Image Search.

Polaris Ranger 500 Wiring Diagram in Professional's eye

Understanding the Polaris Ranger 500 wiring diagram is a fundamental step for enthusiasts and technicians alike. This intricate document serves as a visual guide to the electrical system of the Polaris Ranger 500, offering a roadmap for maintenance, troubleshooting, and modifications. Decoding color codes within the wiring schematic is the first key. Each color signifies a specific function, providing a visual aid that simplifies the identification of wires and their roles in the system.

Decoding Color Codes in the Wiring Schematic

Once the color codes are understood, enthusiasts can dive into the world of circuit diagrams. These visual representations clarify the interconnections between various components, enabling a precise understanding of how electricity flows throughout the vehicle. Whether it's the ignition system, lighting circuits, or other critical components, the wiring diagram provides clarity on their relationships.

Understanding Circuit Diagrams for Precision

Navigating through the diagram, one encounters the key components that drive the Polaris Ranger 500. From the ignition system to lighting circuits and everything in between, understanding these elements is crucial for efficient troubleshooting and modifications. The wiring diagram essentially becomes a guide, helping users comprehend the vehicle's intricate electrical system with ease.

Key Components: Navigating the Wiring System

As users gain familiarity with their Polaris Ranger 500's wiring, they can turn their attention to addressing common electrical issues. The wiring diagram not only identifies potential problems but also guides users through effective troubleshooting solutions. This section empowers enthusiasts to resolve issues efficiently, ensuring that their vehicle operates smoothly and reliably.

Common Issues and Troubleshooting Solutions

Safety is paramount, and the wiring diagram emphasizes this by highlighting critical elements such as the fuse box and grounding points. Understanding the role of these components enhances safety measures, ensuring a secure and reliable electrical system. Enthusiasts can use this information to implement preventive measures and maintain the integrity of their vehicle's electrical infrastructure.

Enhancing Safety: Fuse Box and Grounding Points

Efficiency in wiring practices is not just a matter of organization; it directly impacts the optimal performance of the Polaris Ranger 500. Properly managed wiring prevents potential issues, improves functionality, and contributes to the overall longevity of the electrical system. Enthusiasts can adopt these efficient practices to ensure their vehicle operates at its peak.

Efficient Wiring Practices for Optimal Performance

Concluding the journey through the Polaris Ranger 500 wiring diagram, we offer expert tips for maintenance and longevity. These insights, derived from the wiring diagram, provide valuable guidance for enthusiasts seeking to ensure the prolonged health and performance of their vehicle's electrical system. By incorporating these tips into regular maintenance routines, users can enjoy a reliable and efficient Polaris Ranger 500 for years to come.

Expert Tips for Maintenance and Longevity

In summary, the Polaris Ranger 500 wiring diagram serves as a comprehensive guide for enthusiasts and technicians. From decoding color codes to understanding circuit diagrams, navigating key components, addressing common issues, ensuring safety, practicing efficiency, to incorporating expert tips—each aspect contributes to a holistic understanding of the vehicle's electrical system.

Images sourced from Bing Image Search.

Point of Views : Polaris Ranger 500 Wiring Diagram
  • Decoding Complexity: In the intricate realm of vehicles, the Polaris Ranger 500 wiring diagram stands as a beacon of clarity. It transforms the labyrinth of wires into a decipherable code, making sense of the intricate connections that power this off-road marvel.
  • Colorful Narratives: Enter the world where color codes are not just a visual palette but a language. Each hue narrates a specific tale, outlining the journey of electrons with the precision of an artist's brush on canvas. It's a vibrant symphony that brings order to the electrical chaos.
  • Circuit Chronicles: Dive into the circuit diagrams, where lines and symbols craft a narrative of electron travels. It's a storyboard of connections, revealing the dance of electricity that propels the Polaris Ranger 500 forward.
  • Components Unveiled: The key components section is like a backstage pass to the vehicle's inner workings. From ignition whispers to lighting crescendos, it's a guided tour through the orchestra of mechanical components that make the Polaris Ranger 500 hum with life.
  • Troubleshooting Theater: Addressing common electrical issues becomes a dramatic performance, with the wiring diagram as the script. It transforms users into skilled troubleshooters, turning potential roadblocks into mere plot twists in the vehicle's story.
  • Safety Spotlight: The fuse box and grounding points take center stage under the safety spotlight. They're the unsung heroes, ensuring the harmony of electrical currents while providing a safety net, akin to the meticulous planning behind a theatrical production.
  • Efficiency Elegance: Efficient wiring practices unfold like a ballet, where each movement is intentional. It's the choreography of wires, orchestrated to enhance performance and longevity, turning the Polaris Ranger 500 into a graceful performer on the off-road stage.
  • Expert Insights: Concluding with expert tips, it's like receiving wisdom from the seasoned playwright. These insights, drawn from the wiring diagram, serve as the epilogue, ensuring that enthusiasts author a story of prolonged performance and reliability.

This perspective highlights the Polaris Ranger 500 wiring diagram as not just a technical guide but a creative narrative, where each wire, symbol, and component plays a role in the vehicular saga.

Conclusion :

As we draw the curtains on our exploration of the Polaris Ranger 500 wiring diagram, we hope this journey through the intricacies of electrical schematics has been enlightening. Navigating the color-coded pathways and deciphering the circuit diagrams is not just about understanding wires; it's about unraveling the heartbeat of your Polaris Ranger 500. Through this comprehensive guide, you've gained insights into the key components that drive your vehicle's electrical orchestra, ensuring a harmonious symphony of performance.

Remember, beyond the technicalities lie expert tips and efficient practices that can elevate your understanding and maintenance of the Polaris Ranger 500. Safeguarding the vehicle with a keen eye on safety measures and addressing common issues using the wiring diagram as your guide ensures a smoother ride. Whether you're a seasoned enthusiast or a novice exploring the world of automotive wiring, the Polaris Ranger 500 wiring diagram serves as a steadfast companion, empowering you to not only troubleshoot but also enhance the longevity and efficiency of your off-road companion.

Questions and Answer for Polaris Ranger 500 Wiring Diagram

Q: What is the importance of a Polaris Ranger 500 wiring diagram?

  • A: The Polaris Ranger 500 wiring diagram is crucial for understanding the electrical system of the vehicle. It serves as a comprehensive guide, providing insights into color-coded wiring, circuit connections, and key components. This document is invaluable for maintenance, troubleshooting, and modifications, ensuring a systematic approach to electrical complexities.

Q: How can I use the wiring diagram to troubleshoot issues with my Polaris Ranger 500?

  • A: To troubleshoot issues, refer to the wiring diagram to identify color-coded wires and understand circuit connections. The diagram assists in locating key components, such as the fuse box and grounding points. By following the visual guide provided, users can efficiently diagnose and address common electrical problems, ensuring optimal performance and reliability.

Q: Are there safety considerations highlighted in the Polaris Ranger 500 wiring diagram?

  • A: Yes, the wiring diagram emphasizes safety by highlighting critical elements like the fuse box and grounding points. Understanding these components is essential for ensuring a secure and reliable electrical system. The diagram acts as a visual guide, directing users on how to implement safety measures and maintain the integrity of their vehicle's electrical infrastructure.

Q: Can the Polaris Ranger 500 wiring diagram be beneficial for both novices and experienced enthusiasts?

  • A: Absolutely. The wiring diagram is designed to cater to a broad audience, providing essential information in a visually accessible format. Whether you are a novice seeking a foundational understanding or an experienced enthusiast looking for specific details, the Polaris Ranger 500 wiring diagram serves as a comprehensive resource for all levels of expertise.

Label :Polaris Ranger, Wiring Diagram, Electrical System, Troubleshooting, Color Codes, Safety Measures

Keyword : Polaris Ranger 500 Wiring Diagram

No comments:

Post a Comment